| 参数 | 指标 |
| 管径支持 | DN50~DN1000 |
| 温度范围 | ≤650℃ |
| 压力等级 | ≤10MPa |
定制服务:72小时提供非标设计图纸,可按客户工程实际需求定制。
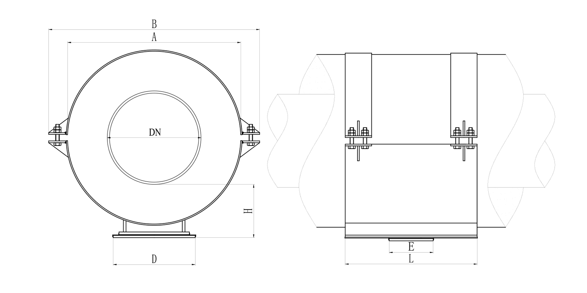
| 管托尺寸表(单位mm) | ||||||||||
| 序号 | 公称直径 DN |
A 根据设计调整 |
B 根据设计调整 |
D | E | H 根据设计调整 |
L | 最大垂直载荷N | ||
| 滑动/导向支架 轴向位移量X |
||||||||||
| X≤150 | 150<X≤280 | 150<X≤280 | ||||||||
| (2抱箍) | (2抱箍) | (3抱箍) | ||||||||
| 1 | 50 | 277 | 357 | 220 | 150 | 100 | 400 | 600 | 800 | 1600 |
| 2 | 65 | 296 | 376 | 220 | 150 | 100 | 400 | 600 | 800 | 2180 |
| 3 | 80 | 322 | 402 | 250 | 150 | 150 | 400 | 600 | 800 | 2970 |
| 4 | 100 | 341 | 421 | 250 | 150 | 150 | 400 | 600 | 800 | 3550 |
| 5 | 125 | 366 | 446 | 260 | 150 | 200 | 400 | 600 | 800 | 4620 |
| 6 | 150 | 412 | 492 | 280 | 150 | 200 | 400 | 600 | 800 | 6500 |
| 7 | 200 | 492 | 572 | 300 | 180 | 300 | 400 | 600 | 800 | 12000 |
| 8 | 250 | 574 | 654 | 350 | 180 | 300 | 400 | 600 | 800 | 18500 |
| 9 | 300 | 646.2 | 746.2 | 400 | 200 | 350 | 400 | 600 | 800 | 25800 |
| 10 | 350 | 718.2 | 798.2 | 420 | 200 | 350 | 400 | 600 | 800 | 36500 |
| 11 | 400 | 787.2 | 857.2 | 450 | 200 | 350 | 400 | 600 | 800 | 48700 |
| 12 | 450 | 861.2 | 941.2 | 500 | 200 | 400 | 400 | 600 | 800 | 60000 |
| 13 | 500 | 921.2 | 1001.2 | 550 | 200 | 400 | 400 | 600 | 800 | 77500 |
| 14 | 600 | 1042 | 1122 | 600 | 200 | 400 | 400 | 600 | 800 | 122000 |
| 15 | 700 | 1152 | 1232 | 650 | 250 | 400 | 400 | 600 | 800 | 133800 |
| 16 | 800 | 1272 | 600 | 700 | 250 | 500 | 400 | 600 | 800 | 181000 |
| 17 | 900 | 1392 | 650 | 750 | 250 | 500 | 500 | 700 | 900 | 256000 |
| 18 | 1000 | 1532 | 700 | 800 | 250 | 500 | 500 | 700 | 900 | 305000 |
注:表内为我司常规标准规格,所有产品可按工程实际需求定制;DN1000以上规格请联系我司另行设计。
中文简体
English
عربى
Español
русский
Deutsch








快速链接