| 参数 | 指标 |
| 管径支持 | DN50~DN1000 |
| 温度范围 | ≤650℃ |
| 压力等级 | ≤10MPa |
定制服务:72小时提供非标设计图纸,可按客户工程实际需求定制。
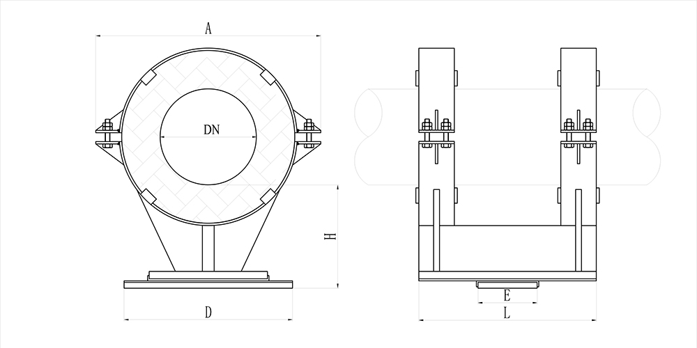
| 管托尺寸表(单位mm) | |||||||||
| 序号 | 公称直径 DN |
A | D | E | H 根据设计调整 |
L | 最大垂直载荷N | ||
| 滑动/导向支架 轴向位移量X |
|||||||||
| X≤150 | 150<X≤280 | 150<X≤280 | |||||||
| (2抱箍) | (2抱箍) | (3抱箍) | |||||||
| 1 | 50 | 184 | 220 | 150 | 200 | 400 | 600 | 800 | 1600 |
| 2 | 65 | 209 | 220 | 150 | 200 | 400 | 600 | 800 | 2180 |
| 3 | 80 | 209 | 250 | 150 | 250 | 400 | 600 | 800 | 2970 |
| 4 | 100 | 234 | 250 | 150 | 250 | 400 | 600 | 800 | 3550 |
| 5 | 125 | 267 | 260 | 180 | 250 | 400 | 600 | 800 | 4620 |
| 6 | 150 | 319 | 280 | 180 | 250 | 400 | 600 | 800 | 6500 |
| 7 | 200 | 389 | 300 | 200 | 250 | 400 | 600 | 800 | 12000 |
| 8 | 250 | 453 | 350 | 200 | 250 | 400 | 600 | 800 | 18500 |
| 9 | 300 | 522 | 400 | 200 | 250 | 400 | 600 | 800 | 25800 |
| 10 | 350 | 574 | 420 | 200 | 250 | 400 | 600 | 800 | 36500 |
| 11 | 400 | 626 | 450 | 200 | 250 | 400 | 600 | 800 | 48700 |
| 12 | 450 | 674 | 500 | 200 | 250 | 400 | 600 | 800 | 60000 |
| 13 | 500 | 784 | 550 | 200 | 250 | 400 | 600 | 800 | 77500 |
| 14 | 600 | 880 | 600 | 200 | 250 | 400 | 600 | 800 | 122000 |
| 15 | 700 | 980 | 650 | 250 | 250 | 400 | 600 | 800 | 133800 |
| 16 | 800 | 1080 | 700 | 250 | 300 | 400 | 600 | 800 | 181000 |
| 17 | 900 | 1180 | 750 | 250 | 300 | 500 | 700 | 900 | 256000 |
| 18 | 1000 | 1280 | 800 | 250 | 300 | 500 | 700 | 900 | 305000 |
注:表内为我司常规标准规格,所有产品可按工程实际需求定制;DN1000以上规格请联系我司另行设计。
中文简体
English
عربى
Español
русский
Deutsch








快速链接